时令品
美妆日化
器械大全
食品
母婴/孕妇
身体养护
成人性福
医用敷料
居家用品
购物车
微信扫一扫
TOP
购物车 全屏查看
购物车空空的
赶快去挑选喜欢的商品吧
件商品 共计: ¥0.00
共 件¥0
帛仕医用橡胶检查手套(有粉中号)
登录可见
帛仕医用橡胶检查手套(无粉)
戴尔曼IOZ皮肤消毒液免洗外科手消毒液(洗手液500ML)
百能抗菌洗手液
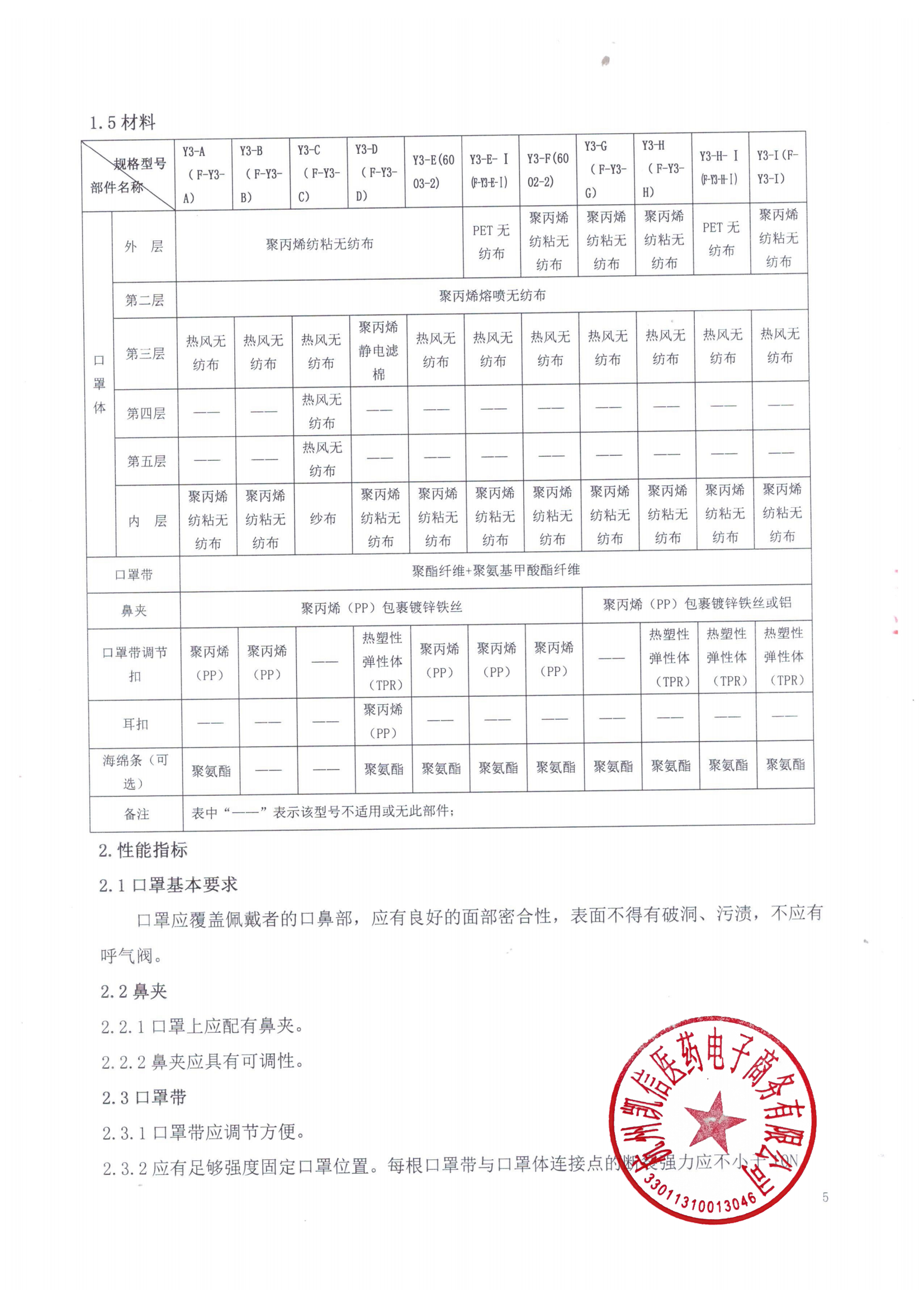
朝美9527医用防护口罩(N95耳挂式Y3-E型)
粤秀医疗医用外科口罩(自封口无菌)
伊鲁博一次性使用医用口罩(蓝色独立包装)
伊鲁博医用外科口罩(独立包装)
伊鲁博医用外科口罩(儿童5只独立装)
粤秀医疗医用外科口罩(儿童自封口无菌)